Entraînement par couple
Entraînement direct type LTD
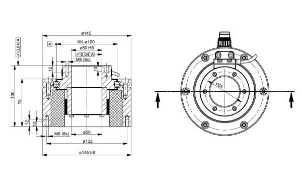
609818
Description
Matériaux C45N (en option aluminium)
Température de fonctionnement de -10 °C à +80 °C
Position de montage tout
Lubrifiant Avec graisse pour roulements via graisseurs
Options Codeur absolu, sortie de câble axiale, unités de contrôle avec câbles, refroidissement par eau
| Précision | |
| Vitesse | |
| Gamme Ø | |
| Prix |
Super compact et super personnalisable: Table rotative Franke avec moteur couple LTD
Données générales
- Boîtier en acier ou en aluminium
- KKØ : 100 - 1800 mm
- Système de mesure incrémentielle
- Système de mesure absolue
Avantages
- Conception compacte
- Grand dégagement au centre
- Libre choix des composants
- Quatre tailles standard en stock
- Des solutions sur mesure sont
également possibles
Fonctionnement et avantages:
Compact
Dynamique
Efficacité énergétique
Conception compacte, grand dégagement au centre
Les tables rotatives Franke à entraînement direct intégré (moteur couple) se caractérisent par une dynamique élevée, une efficacité énergétique maximale et un encombrement très limité.
Les couronnes d'orientation à entraînement direct Franke sont certifiés pour une utilisation en salle blanche.
Diamètres disponibles
Les tables rotatives Franke à entraînement direct sont disponibles dans des diamètres allant de 100 mm à 1 800 mm.
Mes contacts pour ce produit
Votre contact local
Félix Houssay
Agora Technique
8 Bis Rue Volta
Parc Volta
F-94140 Alfortville
Tél.: +33 1 45 18 43 70
agora@agora-technique.com
Couronne d'orientation en whitepaper avec entraînement par torque

Découvrez-en plus sur les couronnes d'orientation avec moteur torque intégré et pourquoi elles sont supérieures aux autres types d'entraînement à presque tous les égards.
À l'avenir, vous pourrez vous passer de composants tels que les boîtes de vitesses et les pignons d'entraînement.

Laissez-nous vous conseiller!
D'un expert Franke via le chat vidéo, chez vous ou chez nous.

