Worm drive
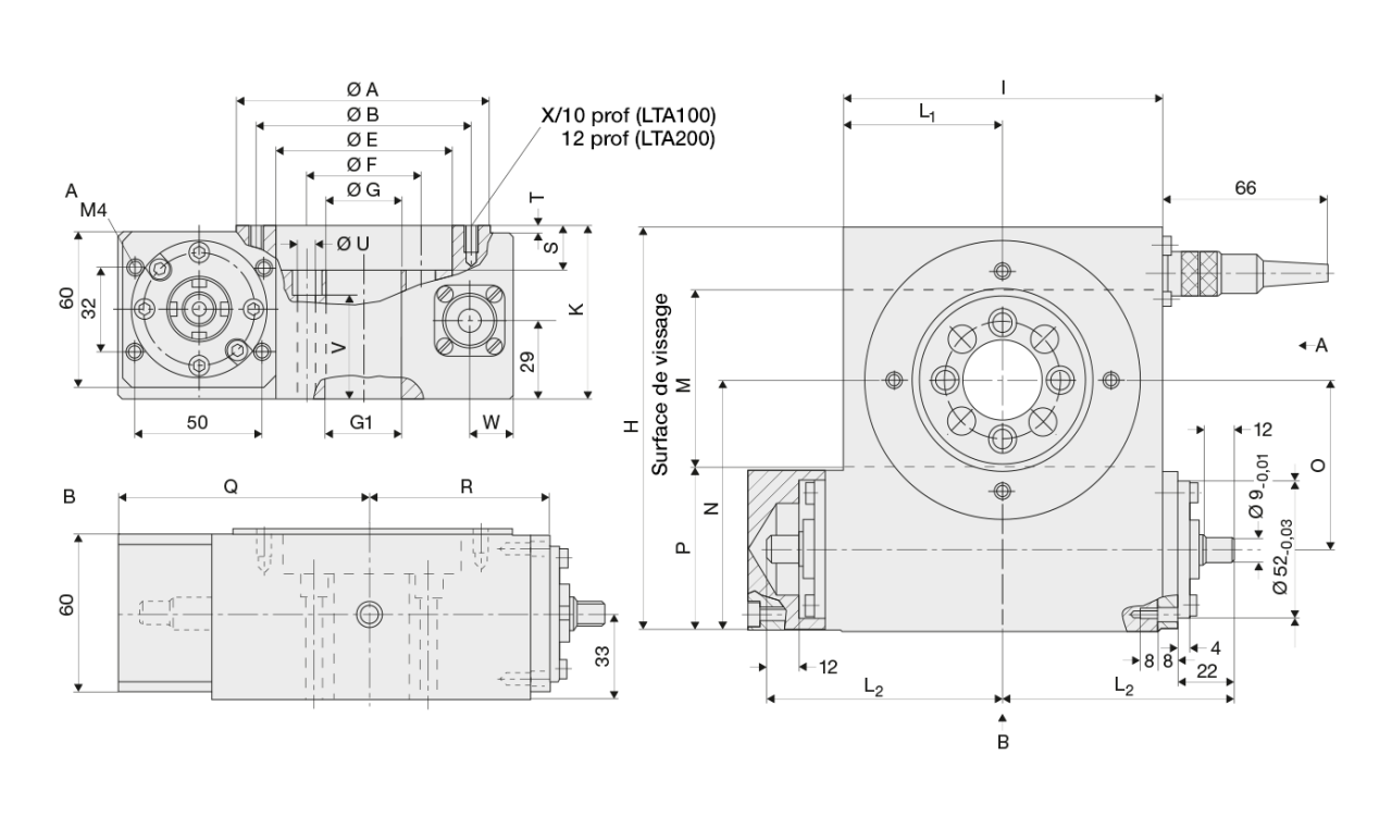
LTA

Prix unitaire : | -,- EUR | |
Prix | -,- EUR |
Description
Matériaux
Plaque de base: Aluminium
Structure: V2A
Pistes de roulement: Acier Chrome Silicium trempé revenu
Éléments roulants: Acier trempé à roulement
Roue à vis sans fin: Alliage de bronze résistant à l'usure
Vis sans fin: CK45N trempé et rectifié
Température de fonctionnement de -10 °C à +80 °C
Position de montage Toute, de préférence horizontale
Lubrifiant Avec graisse pour roulements via graisseurs
Options Détecteurs de proximité inductifs, bride/accouplement pour montage moteur
Précision | |
Vitesse | |
Gamme Ø | |
Prix |
Mes interlocuteurs pour ce produit
Votre interlocuteur local
Franke GmbH
Obere Bahnstraße 64
D-73431 Aalen Téléphone: +49 7361 9200 vertrieb@franke-gmbh.de

Laissez-nous vous conseiller!
D'un expert Franke via le chat vidéo, chez vous ou chez nous.