Slewing ring made of aluminium
LVB

Prix unitaire : | -,- EUR | |
Prix | -,- EUR |
Description
Matériaux
Bagues int. / ext.: Aluminium, anodisé
Pistes de roulement: Acier Chrome Silicium trempé revenu
Éléments roulants: Acier trempé à roulement
Cages: Polyamide ou Polyurethane thermoplastique
Joints: NBR
Température de fonctionnement de -20 °C à +80 °C, en pic jusqu'à +100 °C
Vitesse périphérique Max. 5 m/s, sans joints max. 10 m/s
Lubrifiant Shell Gadus S3 V220 C2
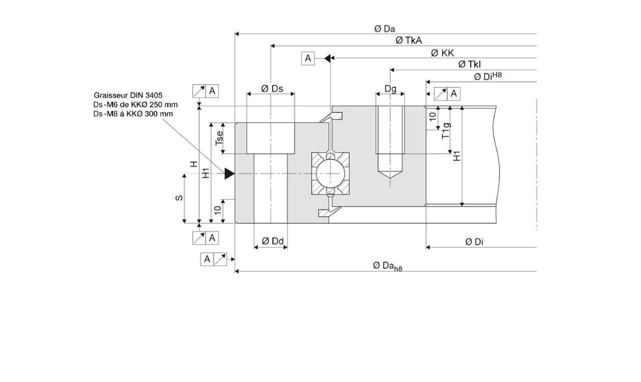
Relubrification Graisseurs selon DIN 3405
Course fluide | |
Résistance | |
Vitesse | |
Rigidité | |
Poids | |
Prix |
Mes interlocuteurs pour ce produit
Votre interlocuteur local
Franke GmbH
Obere Bahnstraße 64
D-73431 Aalen Téléphone: +49 7361 9200 vertrieb@franke-gmbh.de

Laissez-nous vous conseiller!
D'un expert Franke via le chat vidéo, chez vous ou chez nous.