Bearing with profiled raceways
LER
610704
Description
Matériaux
Pistes de roulement: Acier Chrome Silicium trempé revenu
Éléments roulants: Acier trempé à roulement
Cages: Polyamide ou Polyurethane thermoplastique
Température de fonctionnement de -30 °C à +80 °C, en pic jusqu'à +100 °C
Vitesse périphérique Max. 5 m/s, sans joint max. 10 m/s
Lubrifiant Shell Gadus S3 V220 C2
| Course fluide | |
| Précision | |
| Vitesse | |
| Rigidité | |
| Montage | |
| Prix |
Nouvelle taille minimale:
Franke LER 1.5
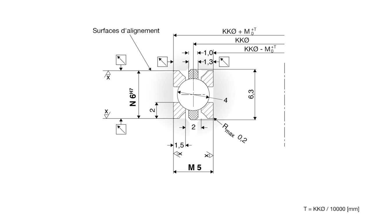
Donnee de base
- Espace d'installation 5 x 6 mm
- KKØ: 40 - 150 mm
Les avantages
- Espace d'installation minimal
- Poids minimal
- Précharge réglable
- Economique
- Sans jeu
- Haute résilience
- Profil rectangulaire pour moins de
travail de fabrication et d'assemblage
compact
Léger
Précharge réglable
Pistes rectangulaires
Espace d'installation minimal, prix minimal
Dans la course à la miniaturisation, Franke a développé le roulement LER 1.5. Dans le domaine concurrentiel des petits petits roulement compacts et légers, le Franke LER 1.5 est le plus petit. Contrairement à un palier à section mince ou à un palier lisse en plastique, la précharge du LER 1.5 peut également être ajustée précisément en fonction de votre application. Le LER 1.5 impressionne non seulement par ses performances et ses caractéristiques, mais aussi par son prix particulièrement attractif.

Pistes rectangulaires
Avantage du profil rectangulaire
Comme tous les roulements de type LER, le LER 1.5 dispose de pistes de roulement avec un profil rectangulaire. Par conséquent, le logement peut également être réalisé via un simple gorge. C'est particulièrement utile dans le domaine des miniatures et réduit considérablement le coût de fabrication des pièces du boîtier. De plus, le profil rectangulaire améliore la rigidité et facilite l'assemblage.

Domaines d'application
Le LER 1.5 est particulièrement adapté aux applications ultra-compactes comme dans les robots collaboratifs, les exosquelettes ou dans les applications médicales. Avec son petit espace d'installation, le nouveau LER 1.5 répond idéalement à la tendance à la miniaturisation dans le domaine de la manutention et de l'automatisation. Les petits plateaux tournants, pinces ou manipulateurs peuvent être déplacés avec précision et avec une capacité de charge élevée.
Mes contacts pour ce produit
Votre contact local
Félix Houssay
Agora Technique
8 Bis Rue Volta
Parc Volta
F-94140 Alfortville
Tél.: +33 1 45 18 43 70
agora@agora-technique.com

Laissez-nous vous conseiller!
D'un expert Franke via le chat vidéo, chez vous ou chez nous.